Технические характеристики и цены на настенные кондиционеры Mitsubishi Electric серии MSZ-FD VA
|
Внутренние блоки
|
MSZ-FD25VA
|
MSZ-FD35VA
|
MSZ-FD50VA
|
|
|
Наружные блоки
|
MUZ-FD25VA
|
MUZ-FD35VA
|
MUZ-FD50VA
|
|
|
ПРОИЗВОДИТЕЛЬНОСТЬ
|
||||
|
Охлаждение
Нагрев |
кВт
|
2.5 (1.1-3.5)
3.2 (1.5-5.5) |
3.5 (1.1-4.0)
4.0 (1.5-6.3) |
5.0 (1.5-5.8)
5.8 (1.5-7.8) |
|
Коэффициент эффективности
EER/COP |
5.15
5.25 |
4.12
4.62 |
3.33
3.74 |
|
|
ЭЛЕКТРИЧЕСКИЕ ПАРАМЕТРЫ
|
||||
|
Потребляемая мощность
(охлаждение/нагрев) |
кВт
|
0.485
0,610 |
0.850
0.865 |
1.500
1.550 |
|
Пусковой ток
|
А
|
10.0
|
10.0
|
16.0
|
|
РАБОЧИЕ ХАРАКТЕРИСТИКИ
|
||||
|
ВНУТРЕННИЙ БЛОК
|
||||
|
Расход воздуха
(низкий/высокий) |
м3/ч
|
276 – 672
|
276 - 672
|
378 - 888
|
|
Уровень шума
(низкий / высокий) |
Дб
|
20 - 42
|
21 - 43
|
29 - 52
|
|
Габаритные размеры (ШxДxВ)
|
мм
|
798х257х295
|
||
|
Вес
|
кг
|
12.0
|
||
|
НАРУЖНЫЙ БЛОК
|
||||
|
Уровень шума
(низкий / высокий) |
Дб
|
46
|
47
|
54
|
|
Габаритные размеры (ШxДxВ)
|
мм
|
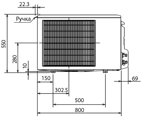
800x285x550
|
800x285x550
|
840x330x850
|
|
Вес
|
кг
|
36.0
|
36.0
|
55.0
|
|
ПОДКЛЮЧЕНИЕ ТРУБ
|
||||
|
Жидкостная
(диаметр) |
мм/дюйм
|
6,35 / 1/4”
|
6,35 / 1/4”
|
6,35 / 1/4”
|
|
Газовая
(диаметр) |
мм/дюйм
|
9,52 / 3/8”
|
12,7 / 1/2”
|
|
|
Максимальная разница
в уровне |
м
|
12
|
12
|
15
|
|
Максимальная
длина трассы |
м
|
20
|
20
|
30
|
|
ДИАПАЗОНЫ РАБОЧИХ ТЕМПЕРАТУР
|
||||
|
Диапазон поддерживаемой
температуры |
°С
|
+ 16 … + 30
|
||
|
Температура окружающей
среды (охлаждение) |
°С
|
- 10 … + 46
|
||
|
Температура окружающей
среды (нагрев) |
°С
|
-20…+24
|
||
|
Тип хладагента
|
R410a
|
|||
Опции (аксессуары) для настенных кондиционеров Mitsubishi Electric серии MSZ-FD Делюкс
|
Наименование
|
Описание
|
|
|
1
|
MAC - 307FT-E
|
Сменный элемент платинового каталитического фильтра. Комплект 10 штук.
|
|
2
|
MAC - 417FT-E
|
Сменный элемент плазменного антиаллергенного энзиного фильтра. Комплект 10 штук.
|
|
3
|
Насадка для пылесоса для чистки теплообменников
|
|
|
4
|
Русифицированный настенный пульт управления
|
|
|
5
|
Конвертер для подключения настенного пульта PAR-21MAA и внешних цепей управления и контроля
|
|
|
6
|
Центральный пульт (вкл / выкл) на 8 блоков
|
|
|
7
|
Конвертер для подключения к сигнальной линии Сити Мульти - M-NET
|
|
|
8
|
Решётка наружного блока для изменения направления выброса воздуха
|
|
|
9
|
Конвертер для подключения в сеть KNX TP-1 (EIB)
|
|
|
10
|
Шлюз для сети LONWORKS
|
|
|
11
|
Шлюз для сети RS485 / Modbus RTU
|
|
|
12
|
GSM-модем для отправки SMS сообщений (32 системы). Применяется совместно с ME-AC-MBS-1.
|
Размеры
Внутренние блоки: MSZ-FD25VA, MSZ-FD35VA, MSZ-FD50VA
![]() |
![]() |
![]() |
![]() |
![]() Ик-пульт управления
|
![]() |
|
Фреоно-
провод |
Изоляция
|
Ø35 (наружный диаметр) |
|
Жидкость
|
Ø6.35 - 0.5 м (вальцовка Ø6.35)
|
|
|
Газ
|
MSZ-FD25/35VA: Ø9.52 - 0.43 м (вальцовка Ø9.52)
MSZ-FD50VA: Ø9.52 - 0.43 м (вальцовка Ø12.7) |
|
|
Дренажный шланг
|
Наружный диаметр изоляции Ø28,
наружный диаметр штуцера Ø16 |
|
Наружные блоки: MUZ-FD25VA, MUZ-FD35VA
![]() |
|
![]() |
![]() |
Пространство для установки

Если блок устанавливается на раме, то ее высота должна в 2 раза превышать максимальную высоту снежного покрова.
|
Дозаправка хладагента (R410A)
|
|
|
MSZ-FD25/35
|
30 г/м × (длина трубы хладагента (м) – 5)
|
Наружный блок: MUZ-FD50VA
![]() |
|
![]() |
![]() |
Пространство для установки

Если блок устанавливается на раме, то ее высота должна в 2 раза превышать максимальную высоту снежного покрова.
|
Дозаправка хладагента (R410A)
|
|
|
MSZ-FD50
|
20 г/м × (длина трубы хладагента (м) – 7)
|
Схема соединений внутреннего и наружного блоков
|
Кабель электропитания (автоматический выключатель):
|
|
MUZ-FD25/35VA: 3х1,5 мм2 (12 А)
|
|
MUZ-FD50VA: 3х2,5 мм2 (16 А)
|





.jpg)






